前 日に戻る
2591
Date: 2017-10-03 (Tue)
付加体論の否定と科学的ムー大陸論
付加体論の否定と、南方古陸・ムー大陸を科学的に考えるきっかけとするため、「地震爆発論設立5周年記念」として動画を作成しました。

ご批判があれば、お聞かせください。

新しいソフトが使いきれていません。

なれないので、古いソフトで編集しています。

よって、見苦しい点があるかと思います。

慣れたら、修正します。

『科学的ムー大陸論』(付加体理論の否定)と題して、
YouTubeとFaceBookに投稿しました。

2592
Date: 2017-10-06 (Fri)
地質学者が研究していた黒潮古陸
地質学者が研究した黒潮古陸の話が井尻正二先生の「日本列島物語」(築地書館)に載っています。地向斜理論を支持されていた「地団体」の井尻先生の話を全面的に肯定するわけではありませんが、和歌山大学や、京都大学の先生方が「黒潮古陸」を真剣に科学者の立場で検討されていた時代があることを証明する記事ですので紹介します。



『日本列島ものがたり』井尻正二著 築地書館 より

京都大学の先生とは[2491]に紹介した徳岡先生のこと、和歌山大学の先生とはその記事にある原田哲朗先生のことだと思います。

プレートテクトニクス理論や付加体理論の矛盾が明らかになってきているのですから、「黒潮古陸」をもっと真剣に科学の土俵に載せて議論してもいいと思うのですが、現役の学者もマスコミもなんら話題にしません。『タコ壺』の中を世界と思っているような状況です。

2593
Date: 2017-10-06 (Fri)
井尻正二先生の断層地震説やPT論に対するベーシックな批判
井尻正二先生の「単なる仮説を教科書で真理のように教えるのは間違い」と言う主張は[1214]で紹介しました。[114]にも紹介した「震源は「線か面」で書いてもらわないと具合が悪い」というコメントも紹介してあります。

これらの主張はどちらも大変ベーシックで重要な内容ですが、定説論者もそれを妄信して垂れ流すマスコミも何も言及しません。

井尻先生の「日本列島ものがたり」にも載っていますので、再度紹介します。


プレートの潜り込みで地震が起きるのなら、震源は“線か面”になるのじゃないか?
『日本列島ものがたり』井尻正二著 築地書館 より


プレート論は一つの仮説にすぎない、
教科書で“真理”であるかのように教えるのは間違いだ!
『日本列島ものがたり』井尻正二著 築地書館 より


地震爆発論学会からの公開質問状にも答えず、基本的な疑問点を放置したまま「黙殺権?」を行使し続けるのは歴史の上で大きな「断罪」が下される事になるでしょう。

2594
Date: 2017-10-07 (Sat)
PT論や付加体論を真理であるかのように扱うのは間違っている
昨日福島県沖で震度5弱の地震が起きました。気象庁も、メディアもこの地震の原因を何も報じていません。

プレート論を否定している地震爆発論の立場では、記事欄外に書きましたように、3.11の地震で「歪エネルギーが開放し切れなかった」のでも「再配分されたものが開放した」のでも、「3.11地震で新たに歪エネルギーが蓄積された」のでもありません。

水の熱解離現象が起きていて、3.11地震以来その解離層が安定していないからです。
震源はCCSを行なっていた場所に近く、[1721]などで解説したように、牡鹿半島沖で発生した地震(爆発)で誘発された第3番目の地震(爆発)の影響が収まっていないと考えたほうが合理的だと思います。

二日前のネットには島村英紀氏による、太平洋プレートに関連付けた解説記事が載っています。プレート論や付加体論の洗脳は根深いものがあります。
ーーーーーーーーーーーーーーーーーーーーーーーーーーーーーーーーーーーーーーーー
専門家が警鐘 メキシコ地震とバリ島噴火で日本は要警戒
2017年10月5日

 先月19日、メキシコの中部でマグニチュード(M)7.1の地震が発生した。23日にも首都メキシコ市付近をM6.1の揺れが襲っている。一方で、東南アジアのインドネシア・バリ島は火山噴火の危険性が高まっている。政府は警戒レベルを最も高いレベル4に引き上げた。ともに太平洋プレート上のエリア。世界中を次々襲う自然災害に、日本列島への影響を心配する声もある。

 武蔵野学院大学特任教授の島村英紀氏(地震学)が言う。

「それぞれ日本から1万キロ近く離れていますが、実は密接な関係があり、日本列島も同じ太平洋プレート上にあります。同プレートは世界一の大きさで、活動期、静穏期を繰り返していました。メキシコの大地震もバリ島の火山活動も、世界各地で活発に活動を始めた同プレートの影響を受けたもの。日本列島にも響いてくる可能性はあるのです」
近年、日本列島で太平洋プレートが影響した地震といえば、3・11の東日本大震災だ。

 しばらくは“余震”があったものの、その後は静穏期に入っていたのだが……。

「日本列島の周辺は太平洋プレートだけではなく、フィリピン海プレート、北米プレート、ユーラシアプレートと4つのプレートが重なっています。この中で特に気になるのが、太平洋プレートと関連の深いフィリピン海プレートです。3・11の大地震の影響で相当な負担がかかり、エネルギーがたまっている状況。太平洋プレートが世界中で動きだし、日本列島も流れにのみ込まれたら、フィリピン海プレートも動いて大地震につながる可能性があります。最も警戒すべきなのは、フィリピン海プレートが引き起こす南海トラフ地震でしょうね」(島村英紀氏)

 政府は先月、南海トラフに関して、速やかな情報公表の仕組みづくりに取り掛かる方針を確認した。はたして、間に合うのか。

ーーーーーーーーーーーーーーーーーーーーーーーーーーーーーーーーーーーーーーーーーーーー

3.11地震の真相に関しては地震発生以来たくさんのコメントを残してあります([1658][1721]など)。動画(地震爆発論から見た東北大震災の真相 )にも残してありますので参考にしてください。

PT論は一つの仮説に過ぎない

仮説を真理であるかのように扱い

教科書にまで載せるのは大きな間違いである!

2595
Date: 2017-10-07 (Sat)
太平洋西部のギョーに巨礫が存在する理由
 アーサー・ホームズ著「一般地質学L」に、西太平洋に存在する全てのギョーの頂部から「円磨された巨礫および小礫が見られる」という記事があります。


アーサー・ホームズ著「一般地質学L」p.564より

今現在では深海に位置するギョーの上部に、なぜ河川で円磨された礫が存在するのでしょうか。

しばらく、不思議に思っていましたが、太古の昔に南方古陸が存在していたとすれば、納得できるメカニズムを思いつきました。  

 当然ですが、ムー文明が誕生するはるか以前の超古代に存在した南方古陸なのだと思いますが、ギョーの上に礫が存在するメカニズムを南極大陸の氷床を想定しながら、推定してみました。

 ギョーそのものは[1817]に図解したように、氷床の発達した極域の氷底湖内部での火山活動で形成されるものだと推定しています。(定説では波蝕によって形成されたことになっています)  

 その上に礫が存在するのは、南方古陸が今の南極大陸のような極域にあって、氷床も発達し、山岳域から崩壊した岩石が“迷子石”のようになったもの、だと推定しました。つまり、氷河性堆積物ではないかということです。

 山岳域の河川を流下して円磨された時代もあり、また氷河が形成された時代もあって、運搬され、氷河に押し出されたのではないでしょうか。その後、地殻のスライド現象で、古陸が極域を離れ、氷床が消滅すれば、礫はギョーの頂部に取り残されることになります。

 古陸には長大な河川が何本もあり、北方にはオーソコーツアイトを運び、東方には巨礫を運んだ、と考えることはできないでしょうか。単なる御伽噺ではない、妥当性のある話だと思います。

 勿論、古陸は海の底に没していますので、実証することは不可能です。


太平洋西部のギョーに礫が存在する理由

 超古代の南方古陸の存在を想定すれば、西太平洋のギョーにだけ礫が存在する理由を説明することができます。ギョーはアラスカ湾にも大西洋にもありますが、頂部に礫が存在するのかどうかは分かりません。判る方があったら教えてください。

 なお、ホームズの解説では「沈水速度が速すぎて環礁には発展しなかった」となっていますが、環礁になるのは、ギョーが浅い場合であって、「沈水速度が速すぎて環礁にならなかった」ということはありません。

 天皇海山群もギョーですが「陸上時代を経てきた」という解釈は必ずしも成り立ちません。「氷床時代」というのなら理解できますが、「陸上時代」があったのなら、南アフリカのテーブルマウンテンやギニア高原のテプイのような存在になる筈です。

参考:Wikiより

ギヨーの形成

 海洋底との比高が1,000m以上の孤立した円錐形の山は海山(seamount)と呼ばれ、特に頂部が水深200m以深にあって平坦なものをギヨーと呼んでいる。数多くの調査と採泥の結果から、ギヨーを含む海山のほとんどが火山であることが分かってきており、ギヨーの平頂面から玄武岩の円礫や浅海性の化石などが採取されたことから、波蝕によって平坦化されたことが判明した。

ハリー・ハモンド・ヘスが1946年に北大西洋で160にのぼる頂上が平坦な海山を発見し、スイスの地質学者アーノルド・ヘンリー・ギヨー(英語版)(1807年 - 1884年)にちなみ、ギヨーと名付けた。

2596
Date: 2017-10-10 (Tue)
「科学的ムー大陸論」3部作完成
地震爆発論学会設立5周年記念として計画した『科学的ムー大陸論』3部作が完成しました。

『科学的ムー大陸論』その1:(付加体理論の否定)([2591]参照)

『科学的ムー大陸論』その2:(海洋地殻と大陸地殻は入れ替わることもある)

『科学的ムー大陸論』その3:(平頂海山の巨礫は南方古陸存在の証拠である)

youtubeにアップしましたので、ご笑覧ください。

補足: その3 について補足します。

「科学的ムー大陸論」に関連するのは、西太平洋のギョーです。[2449]の佐藤氏の記述にある西太平洋のギョーの記述を見ると、ギョーの頂面水深はバラバラです。ごく接近した山と山の間でも1000ft(約300m)くらいは深さが違う場合があるそうですから、ギョーが波蝕で形成されたとするのは無理があります。海面下に沈下した理由に関しても、堆積作用による水位の上昇とするのは無理があります。

なお、ヘスが乗艦していたのは潜水艦ではなく、USSCapeJohnson号です。

ーーーーーーーーーーーーーーーーーーーーーーーーーーーーーーーーーー  

1 西太平洋のギョー

 ハワイからマリアナにいたる西太平洋において、HESSは約160ケにおよぶギョーを発見した。
ギョーの大きさは不定、頂面深度も不定で、ごく接近した山と山との間でも1.000ft位は深さのちがう場合がある。多くは520〜960尋であるが、中でも800尋程度のものが多い。WakeからJohnstone付近のものは、1,100〜1,900尋のものもある。これらのギョーの平頂面は、詳細にみるとゆるく凹凸しているのが普通であるが、こうした高まりの間に平坦面がつづいており、新しい堆積物の被覆が少いことを示している。
HESSはこの地形についてまず珊瑚礁(とくに環礁)の沈下の可能性を検討した。しかし地形断面をみると、周縁に環礁にあたる隆起がないこと、斜面傾斜が珊瑚礁よりはずつと急であること、島棚地形のあることなどから考えて、この平頂面は波蝕面であるとした。しかも、波蝕の時期が氷期海面変化に関係あるものとするとあまりに深いので、もつと古い時代おそらく珊瑚がまだ生息していなかつたPre-Cambrianの時代に波蝕されたものだとした。そしてこれが海面下に沈下した原因については、堆積作用による水位の上昇をあげている

佐藤氏の記述にもいろんな説が述べられていますが、

ギョー・海山の生成した火山活動の様式を決めることは、

大洋底の地下構造を決める手だてともなる大きな問題である。

ということです。

2597
Date: 2017-10-14 (Sat)
シャッキー海台の説明など佐野氏解説の矛盾
 三部作動画「その3」の後半で「シャッキー海台」が海面上にあった話を紹介しました。



 この話は、[2550]で紹介した佐野貴司氏の「海に沈んだ大陸の謎」にもある記述ですが、矛盾点が多いので再度解説します。
 [2550]で、シャッキー海台の部分に関しては、以下のようにコメントしました。

ーーーーーーーーーーーーーーーーーーーーーーーーーーーーーーーーーーー

「p.184には「ギョーはサンゴ礁がつくった環礁が海底に沈んだものと考えられ、したがってかつては暖かい浅い海だったはずです。(このように全ての巨大海台は長い年月をかけて現在の深さまで沈降しました。)」とあります。
 しかし、定説論でも、ギョーと環礁は別物という認識があるはずです。ギョーは火山が原因でできますが、環礁は(土台はギョーの場合もありますが)サンゴが作ります。    シャッキー海台の(新しい火山の)説明も説得性がありません。ギョー(平頂海山)の上に「新しい火山」が出来たものですが、ギョーができたのは極域の氷底湖内での火山活動の時代で、「新しい火山は」地軸が変化して極域を離れてから噴火して出来た火山だと考えたほうが論理的です。そのとき海底火山が海面上に現れていた可能性があります。

ーーーーーーーーーーーーーーーーーーーーーーーーーーーーーーーーーーーーーーーーーー

ギョーが火山であることは認定されている筈なのに、著者はサンゴ礁が沈んだもの、と理解しています。しかしシャッキー海台の解説図では、形成時に噴火があったような図解になっています。そして1億年以上かけて2000m以上沈下したと説明しています。

「(シャッキー海台での)掘削地点は水深3000mを超えているのに対し、噴火した時は水深が1000mよりも浅かったことがわかったのです。これは一億年間に火山体が2000m以上沈んだことを物語っています。 そして1地点では過去に陸上へ現れた特徴を示す熔岩も見つかりました。」  

とあります。  シャッキー海台に見られるのは「平頂な台地に新しい火山が形成」されるケースです。平頂な台地は極域の氷底湖内部での火山活動で形成されたものであり、新しい火山は極域を脱出して、温帯域に移動してからの火山活動によるものです。噴火の時期がまったく違っている筈です。  次の図は[1813]に紹介した、マリアナ海溝付近のギョーを示すものです。



[1813]ギョーの形成(3)より

 マリアナ付近のギョーを見るとわかりますが、Quesada guyotには複数の新しい噴火による山が見えますが、Vogt Guyotには見られません。Vogt guyotでは新しい噴火はなかったというだけのことです。

 2000mの沈下というのはムー大陸が沈降したときに起きたことなのかどうかは、分かりませんが、斉一論的な変化としての変動ではなく、激変的な変化による沈降だと思います。沈降・隆起は激変的に起きていた可能性があります。

次に、「海洋プレートの成長」に関しての矛盾を解説します。定説による解釈ではあると思うのですが、巨大海台が「剥ぎ取られる」という解釈は始めて接しました。日本海溝では海山が潜り込んで「東北大震災の原因」になったという解釈もあります([1491][1710]などを参照)。


海山は潜り込めるが、海台は潜り込めない?

なぜなの?その違いは何?

中央海嶺の近くに「地層」が見られるというのは「プレート論の矛盾」だと[1539][2513]などでも指摘してきましたが、定説は巨大海台が形成される理屈も、剥ぎ取られた「巨大海台」の証拠も示していません。

「海山」は潜り込み、「海台」は剥ぎ取られる、というメカニズムを合理的に説明する論理はありません。

デタラメ過ぎるプレートテクトニクス仮説

2598
Date: 2017-10-18 (Wed)
自然科学とは言えないプレート論
 地震爆発論としては、プレートテクトニクス理論について完全に否定していますので、これ以上言及する必要はないのですが、まったく「見直し」の空気がありませんので、ネット上で気付いた矛盾点を述べておきます。

「アムールプレートの存在が明らかになったので、オホーツクプレートを無理に仮定する必要がなくなった」という記事を紹介します。

ーーーーーーーーーーーーーーーーーーーーーーーーーーーーーーーーーーーーーーーーーーーーー

日本列島のプレートテクトニクスと地震の発生  

プレートテクトニクスが支配する惑星地球の表面では、十数枚のプレートに分かれたリソスフェア(岩石圏)の相対運動が地震を始め様々な現象を引き起こしています。日本列島に南からフィリピン海プレートが、東から太平洋プレートが沈み込んでいるのは有名ですが、肝心の日本列島が何プレートに属するかはこれまで「藪の中」でした。20年前の本を見ると日本列島全体がユーラシアプレート、すなわち欧州やアジアと一枚板になっています。15年前の文献では日本列島の真中に境界が引かれて東日本が北米プレートになっているでしょう。もっと最近の文献なら北米プレートの代わりにオホーツクプレートと書かれているかもしれません。一体なにが本当なのでしょう。

 最近数年間の宇宙測地観測によってこの曖昧な状況が打破されたことについてお話しましょう。西南日本や韓国のGPS(全地球測位システム)点がユーラシアプレートに対して東向きに年間1cmほどで動くことから、その地域がユーラシアプレートの一部であることが疑われ始めたのが数年前のことです。筆者を含むグループは上記地域に加え、中国や極東ロシアに展開したGPS点の数年にわたる位置変化を解析し、これらの地域がほぼ一枚の独立したプレートとして振舞っていることを明らかにしました(Heki et al., Jour. Geophys. Res., 104, 29147, 1999)。

その範囲は従来アムールプレートと仮称されていたものにほぼ重なり、「幻のプレート」の存在が実証された格好になります。さらにアムールプレート の存在が明らかになったおかげで東日本を含む「オホーツクプレート」を無理に仮定する必要がなくなり、元通り北米プレートのままで諸データが矛盾しないことがわかりました。西日本=アムールプレート、東日本=北米プレートという構図がようやく明らかになったのです。  

 それらの境界は一本の線ではなく中部から近畿にかけて数百キロの幅を持っています。そこでは南からフィリピン海プレートが沈み込んでいますが、陸側は東海地震の震源域とされる静岡県東部などの北米プレート側と四国や近畿などのアムールプレート側に分かれており、沈み込み速度や地震再来周期も同じではありません。北海道南西沖地震で注目を浴びた日本海東縁はアムールプレートが北米プレートに沈み込む境界ですが、我々がその速度を約2cm/年と定量化したことはこの地域での地震の繰り返しの理解に重要です。

 海溝で見られる海陸プレートの衝突では前者が後者の下に沈みこんで一件落着ですが、沈み込めない陸どうしの衝突では事態が複雑になります。東日本(北米プレート)と西日本(アムールプレート)が約2cm/年の速度で衝突している中部―近畿地方もそのひとつです。このような場合プレートの運命は(1)横に縮んで上下に伸びる、(2)小さいかけらになって横に押し出される、の二とおりです。代表的な衝突境界であるインドとユーラシアの衝突現場では上記(1)でヒマラヤ山脈とチベット高原が形成され、さらに大規模な横ずれ断層でブロック化した陸塊が押し出される (2)が同時進行しています。アムールプレートも元をただせば北上するインドが東に押し出した大地のかけらなのです。  

 日本に目を転じると、中部地方は山岳地帯を形成しており(1)がある程度働いていることは明白ですが、(2)はどうでしょう。アムールプレートからみた国土地理院の全国GPS連続観測点の速度を図に示します(沈み込みによる地面の変形を取り除いて見やすくしてあります)。中部から近畿にかけて東西短縮とともに南北伸張が顕著です。

 つまりインド=東北日本、ユーラシア=西南日本とすると、 東に押し出されるアムールプレート=南に押し出される紀伊半島、という相似形が成り立ちます。東西短縮と南北伸張の地殻ひずみは断層の横ずれによって解放されますが、その典型例が1995年の兵庫県南部地震です。その原因は中部日本における陸どうしの衝突、その原因はアムールプレートの東進、そのまた原因はインドとユーラシアの衝突に伴う大陸塊の押し出し、さらにその原因をたどるとゴンドワナ大陸の分裂とインドの北上となります。


GPS Point Velocity
図の説明:左上は日本周辺のプレート(AM:Amurian, PH: Philippine Sea,
NA:North American, PA: Pacific)とその境界。右下はAMからみた国土地理院の
全国GPS連続観測点の速度(黒矢印)と、AMに対するNA、PHの相対速度(太矢印)。
日本列島は中部―近畿を境に東日本(北米プレート)と西日本(アムールプレー ト)
に分けられ、年間2cmの速度で互いに衝突しています。


「国立天文台ニュ−ス No.85より転載」            <日置幸介>

ーーーーーーーーーーーーーーーーーーーーーーーーーーーーーーーーーーーーーーーーーーーーーーー

アムールプレートに関しては[2313]、[2314]でも「SF小説並み」だと紹介しました。

この記事にも、北海道南西沖地震で注目を浴びた日本海東縁はアムールプレートが北米プレートに沈み込む境界とありますが、そこには深発地震面は存在しません。太平洋側に見られるような、深発地震面が存在しないのに、潜り込みと決めるのはおかしいのではないでしょうか。

 沈み込めない陸どうしの衝突の話が載っていますが、プレートの運命は(1)横に縮んで上 下に伸びる、(2)小さいかけらになって横に押し出される、の二とおりですというのは“虚妄の論理”にすぎません。

 インドの北上が日本近海にまで影響を与えている、というのも現実離れしています。

そもそも、境界は一本の線ではなく中部から近畿にかけて数百キロの幅を持っていますというのは、ナンセンスです。プレート論では境界は@発散型A収束型Bトランスフォーム型の3種類と説明しています。「幅を持った境界?」の物理像が描けません。

 こんな程度の“空想”や“妄想”がまかり通る世界はもはや科学とは言えません。

追記:

アメリカ人が書いた「 アメリカ人が語るアメリカが隠しておきたい日本の歴史」(ハート出版)を読みました。

ようやくアメリカ人でも「アメリカの非」を認めるような時代になりました。「アメリカ渡りの理論」がすべて正しいわけではない事、「日本人の考えた地震理論」の方が合理的だった事実も、日本人が理解すべきときが来ています。

プレート論を捨てましょう!

2599
Date: 2017-10-23 (Mon)
放散虫を産しないチャートの形成理由
「福井市の自然史博物館」のサイトに「南条山地には放散虫を産しないチャートがある」という記事が載っていることを[2508]で紹介しました。どのような分布になっているのか興味があったので同博物館に問い合わせたのですが、担当していた学芸員が退館されたそうで、詳しい話が聞けず、残念でした。

 放散虫を産しない層があることは[2517]にも紹介しましたが、ネットで調べると中国四川省の朝天地区という場所で調査した結果が地学雑誌に載っていました。

「中国四川省北部朝天におけるペルム紀−トリアス紀境界の詳細層序」という論文から抜粋して紹介します。

ーーーーーーーーーーーーーーーーーーーーーーーーーーーーーーーーーーーーーーーーーーーーーーーー

産出化石と年代

朝天セクションのP-T境界周辺から産する各種化石の産出状況を図―6に示す。

上述のように、大隆層最上部のユニットA-Dの石灰岩からは放散虫、アンモナイト、二枚貝、腕足類などの多様な化石が多産する一方で、飛仙関層最下部のユニットE-Gからはほとんど化石を産しない。ユニットF-Gについては、研磨スラブ39枚および岩石薄片約108枚を観察したにも関わらず、放散虫・貝形虫・巻貝および小型有孔虫はまったく認められない。特に放散虫に関しては、ユニットA-Dから多産する放散虫が、ユニットE-Gからはまったく認められず、ユニットD/E境界の両側で明瞭なコントラストを呈す

ーーーーーーーーーーーーーーーーーーーーーーーーーーーーーーーーーーーーーーーーーーーー

以上が抜粋記事です。著者らは放散虫などの生物が消滅した理由を以下のように解釈しています。

「生物殻生産の主要な担い手である石灰質および珪質殻を作るペルム紀型生物群がユニットD/E境界でいっせいに激減あるいは消滅したことが明らかになった。一般に生物多様性の急激な減少および固体サイズの急激な小型化は強い環境ストレスの出現を示唆すると考えられる。具体的な環境ストレスの可能性として、寒冷化、海水中の溶存酸素量の低下あるいは栄養塩の減少などが考えられるが、現時点で特定することはできない。」

 放散虫などの生物が消滅した原因は特定できない、としていますが、ハプグッド教授の「地殻のスライド現象」を採用すれば、簡単に説明できると思います。
朝天地区が、温暖な海域から寒冷な海域に「地殻のスライド現象」で移動したと言うだけのことです。

 地球環境の激変は斉一論的な定説では説明できませんが、「地殻が滑動した」という激変論を採用すれば、なんでもない地球史の一環として納得できます。

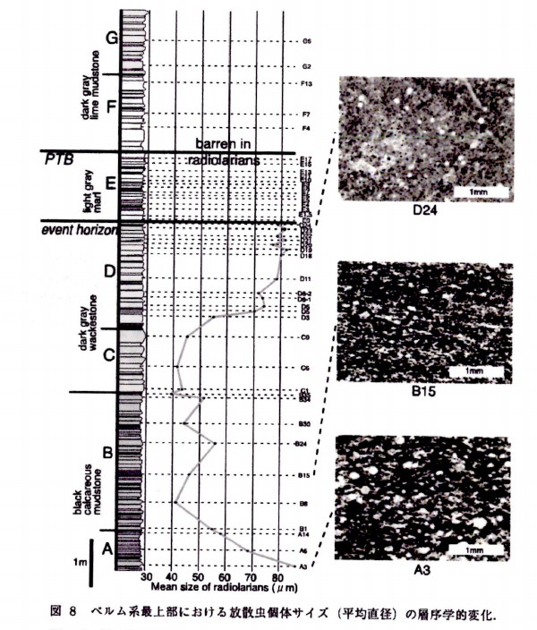
 同論文では放散虫が消滅する直前に、そのサイズが大きくなっている(図―8)ことが分かります。


B、C層は温暖な海域、Dは熱帯域、E、F、G層は寒冷な海域で堆積したことを示しているのではないか。

 また、図ー6からわかるのですが、F-Gでは放散虫以外の生物が回復しています。地殻のスライド現象で生物が死滅するような寒冷な海域からやや暖かな海域に移動したことを示しています。

地殻のスライドによる地球環境の激変を取り入れれば、簡単に「地球史の謎」が解けるのではないでしょうか。

WIKIなどによるチャートの説明には次のように「無生物起源のものがあるという説もある」とあります。

「チャート(英: chert)あるいは角岩(かくがん)は、堆積岩の一種。主成分は二酸化ケイ素(SiO2、石英)で、この成分を持つ放散虫・海綿動物などの動物の殻や骨片(微化石)が海底に堆積してできた岩石(無生物起源のものがあるという説もある)。断面をルーペで見ると放散虫の殻が点状に見えるものもある。非常に硬い岩石で、層状をなすことが多い。」

チャートは本来細かな泥質の堆積岩のことで、放散虫を含む場合もある、というのが正しいのではないでしょうか。

 含む場合は赤道や温帯地域で形成されたもので、含まないのは極域などの寒冷地で形成されたもの、なのではないでしょうか。

2600
Date: 2017-10-24 (Tue)
無機質チャートが灰色なのは生物の死骸が含まれないからだろう
チャートには有機質と無機質とがあるとの記事がありました。色についても深海性のものは赤色であるとしています。無機質とは放散虫などの生物の遺骸が存在しないということでしょう。生物の死骸がないために、灰色になっているのではないかと思われます。

ーーーーーーーーーーーーーーーーーーーーーーーーーーーーーーーーーーーーーーーーーーーー

「チャート」・紀ノ川の石ころ(3)

チャートは、ほとんど「けい酸」でできた緻密な硬い堆積岩なのです。「堆積岩」であるというのも、不思議でしたがその意味があとで分かりました。チャートは、大別すると、けい酸質の生物の殻が堆積してできる場合(有機質起源)と、火山活動などで大量のけい酸がもちこまれて沈殿してできる場合(無機質起源)とがあります。前者は放散虫のような有孔虫軟泥が海底に堆積し、長年月の間に珪質の岩石になったもので、深海性のものは赤色を帯びており、黒色は有機質によるといわれています。そのほか灰色、青色、濃黄色などの色を呈するものが見られます。


赤いチャートと青いチャート

ーーーーーーーーーーーーーーーーーーーーーーーーーーーーーーーーーーーーーーーーーーーー

[2599]で紹介した四川省朝天地区の地層も、P-T境界(ペルム期と三畳期の境界)では放散虫が消滅していますが、兵庫県篠山町の地層からも、P-T境界ではチャートが消滅しているという報告があります。

 篠山町にみられる史上最大の大量絶滅事件より紹介します。

ーーーーーーーーーーーーーーーーーーーーーーーーーーーーーーーーーーーーーーーーーーーー

 今からおよそ2億4千万年前のペルム紀と三畳紀との境界、すなわち古生代と中生代の境界では生物の歴史上最大の大量絶滅事件がありました。その規模はなんと海の生物の種の95パーセントまでもがその時に絶滅してしまったといわれるほどです。古生代末には三葉虫、フズリナなど多くのグループが滅びてしまいました。絶滅をまぬがれたグループも多くの種が姿を消してしまいました。

 兵庫県内でも篠山町の市街地の北、藤岡奥で、ペルム紀から三畳紀にかけて溜まった、主に層状チャートでつくられた地層を見ることができます。層状チャートとは深海底で放散虫(二酸化ケイ素の殻をもつプランクトン)の遺骸が降り積もって作られたチャートいう硬い岩石と、やわらかい泥岩が交互に積もってできたものです。

 藤岡奥の地層はペルム紀のなかばまでは赤い色をした層状チャートなのですが、ペルム紀の終わり頃には灰色に変わ

ります。そしてペルム紀の最後にはチャートから緑灰色の泥岩に変わり、ついには真っ黒な泥岩になってしまいます。三畳紀になると次第にチャートが溜まるようになり、別な場所では三畳紀のなかば頃には再び赤いチャートが溜まるようになっています

 このようなチャート層の変化から、ペルム紀のなかば頃には酸素が十分にある環境だったものが、終わり頃になると海底付近では酸素が不足した環境となり、ペルム紀・三畳紀の境界付近では浅い海まで酸素の足りない環境になったと考えられています。そしてその後、逆の順序で次第に回復に向かったと考えられています。ペルム紀・三畳紀の境界でチャートが見られないことは放散虫がほとんどいなくなったことを示しています。放散虫も他の多くの生物同様、浅い海まで拡がった酸素不足の影響で多くの種類が死滅してしまったのでしょうか。放散虫は古生代の初めから現在まで海洋に生息していますが、ペルム紀の放散虫と三畳紀以後の放散虫とは種類が大きく異なり、三畳紀のはじめの頃は放散虫の種類がとても少ない時代です。放散虫にとってもペルム紀・三畳紀境界は最大の危機であったようです。(地球科学研究部 古谷 裕)


篠山町の赤色層状チャート

ーーーーーーーーーーーーーーーーーーーーーーーーーーーーーーーーーーーーーーーーーーーー

篠山町の地層からは朝天地区と同じような「P-T境界での放散虫の消滅」そして、その後三畳紀に「水生生物の回復」があったことが分かります。

放散虫などの生物の死骸が含まれない無機質チャートは細粒度の泥質チャートであるために、灰色になっていることが推定できます。

生物の大量絶滅の原因を酸素の不足など、環境の激変にあるとしていますが、「地殻のスライド現象」による極域への移動、すなわち「寒冷化」に帰したほうが合理的な「謎解き」だと思います。

 三畳紀後半になって、生物が回復しているのは、寒冷な極域から温帯域に「地殻がスライド」したからでしょうし、少なくとも地球上のどこかでは絶滅を免れた地域があったからだと思われます。 全球凍結のような事件が本当に起きたのなら、生物の回復は望めなかったでしょう。

地球史の謎は
「地殻のスライド現象」を考えないと、
解き明かせないと思います。

2601
Date: 2017-10-25 (Wed)
東洋の源流(ムー文明の北上論)
[2563]に紹介した「大陸はなぜあるの?」の中で、「西ノ島は大陸の卵説に疑義あり」というシリーズが始まること、そしてJAMSTECの田村芳彦氏との質疑応答に期待していることを紹介しました。

 ブログ主のS氏は田村氏のほかにも金森博雄氏、上田誠也氏とメールのやりとりをしたようです。
3回目の記事では両先生からのメールが紹介してあります。その中で、金森氏からは

「私は、専門家から話しを聞いて大抵いつでもそのままに受け入れ、それ以上に追究しようとはしません」

という返事があったそうです。
上田氏からは

「おっしゃるとおり、フィリピン海は特異な海ですね。フィリピン海のでき方については、私も1972頃にそれを2〜3論じたことはあります(Origin & Development of the Philippine Sea, Natute Physical Science, V240, No.104, pp176-178など) しかし、その種の議論は証明も反証もできにくいですね。この年になると、まあどうでもいいやという気分です。」

とあったそうで、読者としてはがっかりしました。「それ以上追求しようとしません」とか、「まあどうでもいいやという気分」というのでは、学者としては晩節を汚しているのではないでしょうか。その後、両氏からの返信はパタッと止まってしまったそうです。

S氏の質問内容がどんなものか詳しく分かりませんが、両氏ともS氏と面識・交流がある斯界の権威であるだけに、真剣な応答をして欲しいと思い、ブログの読者としても残念です。

 ところで「フィリピン海に古陸があった」という視点は別の意味で日本にとって重要な問題を含んでいます。

「科学的ムー大陸論 その3」で解説していますが、日本の文明は中国大陸や朝鮮半島から一方的に日本に伝わったわけではなく、「東洋文明の源流はムー文明である」「ムー文明は北上してアジアに広がった」という視点を持つことがこれからの日本には重要な事だと思うからです。

 中国は今経済的に発展し、アメリカをも抜く勢いで自信を持っていますし、軍事力も増強しています。その経済力と軍事力のベースには「中華思想」があり、周囲の国は野蛮なる「夷狄(いてき)」であるという「いわれなき優越感」を持っていることが、アジアの諸国に脅威を与える事になっていくでしょう。

「中華」という思想には根拠がありません。そうではなく、東洋思想の源流はムー文明であって、日本を通じて大陸に流れた文明もあることを知ってもらうことが必要です。「稲作の文化」はムーから日本に流れ、日本を中継してアジアにも流れたというのが正しい認識だと思います。

中国も、朝鮮半島の国々も、そして日本も偏狭な民族主義に拘泥しないで、正しく「東洋なるもの」の源流を知るべきだと思います。

「西洋の源流」はアトランティス文明であり、「東洋の源流」はムー文明にあることを発信するためにも、科学的な海洋底の真実は重要だと思っています。

 ところで上田誠也氏の「フィリピン海に関する論文」には「大陸地殻の海洋化は物理化学的に支持されない」という定説論者のプレート論による判断が示してあります。  しかし、クラストテクトニクス理論ではまったく別の判定になります。

THE marginal seas which lie along the rim of the Western Pacific cannot be due to depression of ancient continent because the deeper basins of these seas have oceanic crust, and the possibility of “oceanization” of continental crust is not supported by physico-chemical theories. The hypothesis of the opening origin of marginal seas as an alternative has a long history, and has been revived recently (S. Maranchi, unpublished) for the Japan Sea to explain its oceanic crust and high heat flow. Karig postulated that marginal basins were formed by crustal extensions in the form of inter-arc basins.( Natute Physical Science, V240, No.104, pp176-178)

2602
Date: 2017-10-27 (Fri)
中華思想を擁護する日本人あり、華夷思想は本当に誤解なのか?
中国に在住していた方の中華思想に関する記事が秀逸でした。抜粋して紹介します。

ーーーーーーーーーーーーーーーーーーーーーーーーーーーーーーーーーーーーーーーーーーーーー

異民族国家と中華思想より

中国には、じつに14億人もの人がいます。そんな広大な土地、言語も顔も習慣も違う他民族が十把一絡げに、一党独裁政権の元、中央統治されているのです。  

 それで、国民の意思が隅々まで統一されるだろうか?否。であろう・・・。国土の隅々まで政府当局の意向を浸透させ束ねるのは土台無理なのだと思う。
その無理を無理矢理通そうとするから歪みが起き、その歪みを矯正するために、さらに「劇薬」が必要になってくるのだと思う。
それは、モルヒネや麻薬のように、使えば使うほど、手離せなくなる悪魔の薬なのです。
しかも、それは、従わされる周辺異民族の傷を癒すために使われるのではなく、いわゆる「漢民族」が中央で支配するための方便とも言うべき、根拠のない特権意識と優越感という「中華思想」という名の劇薬なのです。

彼らの中華思想を初めて目の当たりにしたのは、(はっきり聞いたのは) 中国で生活しているとき、中国語を習いに行っていた師範大学(教育大学)の教師の言動だった。
北京オリンピック開幕直前のチベット紛争の最中、日本人、韓国人の生徒たち (ほとんどは大人) の、

「チベット人は明らかに中国人ではないと思うのに、なぜ無理に統合しようとしたり、あんな弾圧を加えるのか?」

・・・という疑問に対し、

「チベットも、ここも、み〜んな含めて、中国はひとつ!」・・・と答えた。

「はい?」  ・・・ですよね? それだけでも理解不能なのに、さらに理解不能なのは、「かれらは中国人になるべきなのに、それに反抗するから(弾圧しても)仕方がないのだ」と真顔で言ったことです。 まさにこれが、「中華思想」というものか。

外国人生徒たちが唖然とする中で、教師は微塵も揺らぎない信念とでもいうように堂々と何度もそれを繰り返していました。
しかし、その信念を裏付ける理由は一切説明されない。
ただ、
「全部まとめて、中国はひとつ!」「かれらも中国(人になるべき)なのです!
と繰り返すのみである。
つまり、個人個人の中では、なんの根拠も裏づけもない思想(ただの「ストーリー」)なのだとあらためて実感しました。この「妄信」こそが、かれらの「教育」の賜物かと。

中華思想も、反日感情も、よくよく考えれば、中央の漢民族(だと思い込んでいる中国人)にこそ徹底されているものです。
もちろん、周辺民族も、戦争の恨みは忘れていない。しかし、それは、一部の人間のもので、大半の人間にとって「実体験による感情」というのはほとんどなく、あるのは、作られた「教えられた」感情であると思う。
徹底された「教育」と、根拠のない「特権意識」( 「中華思想」は「白人至上主義」と同じ何の根拠もない身勝手な差別特権思想 )によって、骨の髄まで染み込んだ反日感情はやはり中央のものだと思う。( 中央といっても、中国は広いから主要首都圏と思ってください)

 地方農民は正直、生きるのに精いっぱいでそれどころでないのが本音でしょう。
もともと、中国は歴史的に言って、多種多様な周辺異民族を強制的に属国にして、無理矢理束ねているようなものだから、
「みんなまとめて中国はひとつ」 と言ってはいても、本音は、自分たちを中央に据えた残りはすべて「属国」(自分たちに従う民族)という意識なのだと思う。
漢民族の、自分だけは別格だという誇りとプライドは、この中華思想によって成り立ち、支えられているのです。
これは、「三国志」 の時代にも色濃く出ているので、愛読者の方はよくお解かりだと思いますが、とくに根拠もないこの優越感は、白人の有色人種へのそれといっしょなのです。
この中華思想が、有志以来、どれだけ近隣諸国を、民族の運命を翻弄してきたことか・・・!
わたしは思います。
この世のほとんどの「不条理」は、人を不幸せにしている不条理のほとんどは、この「中華思想」と「白人至上主義」が生み出しているのではないかと。
しかし、

この中華思想を逆手にとって、世界で初めて、敢えて自らの矜持を示したのが、われらが聖徳太子なのです。

日本は属国ではない」・・・と、「対等に国交をするつもりである」と、
初めて真っ向からあの国に対峙したのです!!
彼はもしかしたら、何世紀も先を見すえて、我が日本国を 「日出処の天子・・・」 と言ったのかもしれない。
今考えると、あらためて天晴れなことだと敬服いたします。
※ この事実を、あの親書の「日出処の国」という言葉のほんとうの意味を、  
  あなたは学校教育で学んできましたか?
  「日本人の真実」をどれだけ隠されてきたか、あなたは知っていましたか?

聖徳太子は「国交」なら結ぶ、と言ったのです。対等な国と国との「国交なら」と。それ以外は「認めない」と。
もし、聖徳太子があの「親書」を送っていなかったら・・・
もし、あのとき、きっぱり「属国扱い」を拒否していなかったら・・・
もし、あの国ときっぱり手を切っていなかったら・・・
今のこの日本は、とうになかったのかもしれません。
もしかしたら、あの聖徳太子の英断があったからこそ、その後の、昭和の日本人たちも、戦わずしてアメリカに侵略されることを選ばず、愛する家族やこの国を守る為、大東亜戦争に命を捧げたのかもしれません。

しかし、残念なことに、今日の政治家にこんな気概があるでしょうか?

ーーーーーーーーーーーーーーーーーーーーーーーーーーーーーーーーーーーーーーーーーーーーーーー

中国の教育大の教師が「中華思想」を教えているのですから、困ったものです。

ブログ主が言うように人類を不幸せにしている不条理のほとんどが、西洋の「白人優越主義」と東洋の「中華思想」かもしれません。しかし、白人による人種差別を国際会議の席で公式に否定したのが日本であり、中国と対等な立場で「国交」を結ぼうとしたのが聖徳太子であることを忘れてはいけません。

ネットを見ると以下のように「中華思想」を擁護するような見方もあります。
中華思想と中華民族についてより抜粋して紹介します。

ーーーーーーーーーーーーーーーーーーーーーーーーーーーーーーーーーーーーーーーーーーーーーーー

中華思想を誤解している人が多いので、本来の意味を説明します。 日本人は中華思想という言葉を中国人が外国人を軽蔑して差別する思想という風に使っていますが、中国人自身はこういう意味で使うことはありません。

中華思想の意味
中華思想というのは、秦が中国全土を統一するときに、周辺の秦以外の国々を取り込むための思想として使ったものでした。
「秦」自身を「中華文明」と自称して、征服した周辺地域を、その中華文明の恩恵によって文明化し、その地域全体を「中華文明圏」として、統一国家の精神的基盤としたものです。

中華文明は偉大であり、征服した野蛮な国を文明開化して、中華文明の一員に加えて、その恩恵に浴させてやるのだ、という上から目線の思想です。

しかしながら、征服された地域が文明化した後には、中華文明圏の一員として、全体が平等になる、という公平なものです。

ーーーーーーーーーーーーーーーーーーーーーーーーーーーーーーーーーーーーーーーーーーーーー

随分と中国政府の意を汲んだ発言のように見えます。それが本当のことならば、以下の動画のような事件は起こらないはずです。


映画ファイナルジャッジメントPR動画より編集
 聖徳太子の「未来記」にあるクハンダとはこのような事象なんだろうか?

中華思想が根拠の無いものであることを示すためにも、東洋文明の源流はムー文明であること、「大陸が沈むことはない」というプレート論には間違いがあり、「ムー大陸は存在し、その文明が日本を中継して大陸に伝わった」という事実を中国の民衆にも知らせることが大切だと思います。

科学の面からも情報公開をして欲しいのは「日本のマスコミ」に対しても言えることです。

[2598]で紹介したアメリカ人のシュラー氏もそうですが、「大東亜戦争は日本が勝った」を書いた英国人ジャーナリストのH・ストークス氏も、日本の歴史を「永遠の太古からずっと一つの文明が一つの流れとして、征服されることなく今日まで続いている」と評価しています。

太古から続く日本の歴史を、日本のマスコミ人も早く見直していただきたいものだと思います。ストークス氏のまえがき一節を紹介します。

日本よ、中華文明圏の一員となる勿れ!

2603
Date: 2017-10-28 (Sat)
インド洋にも大陸は存在した
 インド洋に浮かぶモーリシャス島の熔岩の中には30億年前のジルコンが見つかるそうです。「モーリシャスは島だから、900万年を経過した岩は存在しないはず、だから、この海域には「失われた大陸」が隠れているに違いない」という結論だそうです。

 プレート論では海洋地殻は新しいもので、古い地殻が存在するはずがない、ということですが、大陸地殻が海底に隠れている、というのは滑稽です。

 南アフリカのウィットウォータースランド大学の研究チームの発表を紹介します。

ーーーーーーーーーーーーーーーーーーーーーーーーーーーーーーーーーーーーーーーーーーーー

「失われた大陸」マウリティアか? モーリシャス島の海底に証拠を発見


モーリシャス島 / SAPSIWAI VIA GETTY IMAGES

南アフリカのウィットウォータースランド大学の研究チームが、インド洋とモーリシャス島の海底深くに「失われた大陸」マウリティアが隠れて存在することを示す証拠を発見した科学誌「ネイチャーコミュニケーションズ」に論文が掲載された。

この失われた大陸はおよそ2億年前に存在した超大陸「ゴンドワナ大陸」の一部だと信じられている。


TRIASSIC(三畳紀)に存在した考えられているゴンドワナ大陸

モーリシャス島の溶岩を分析してみたところ、島の年齢と食い違うものを発見した。

「地球というのは2つの部分から成り立ってます。『古い』大陸と比較的新しい海です。大陸ではこの世に誕生してから40億年以上を超える岩が見つかりますが、海にこのようなものはありません。新しい岩は海中で誕生するのです」

と、発表論文の主筆者ルイス・アシュウォール教授は説明した。

「モーリシャスは島ですから、形成後900万年を経過した岩は存在しません。ですが、島にある岩石を研究してみると年齢が30億年もあるジルコンが見つかったのです」


ジルコン ウィットウォータース大学提供

ジルコンとは、主として大陸に存在するタイプの花こう岩内部に太古からある鉱物だ。ジルコンは信じられないほど寿命が長い鉱物なので、年代を測定をするのに適している。

ーーーーーーーーーーーーーーーーーーーーーーーーーーーーーーーーーーーーーーーーーーーーー

これは[2514]でも紹介したmobilistのプレート論という“水平移動論”が間違っていることを示しているだけです。地殻は特殊なケースとして水平移動する場合もありますが、圧倒的に多いのはfixistの主張している“垂直な移動”です。地殻は上下に隆起したり沈降したりしているので、どの大陸にも岩塩がありますし、どの大陸にもアンモナイトのような水生生物の化石があるのです。
 ジルコンが島から見つかっても、海底から見つかっても、一向に不思議ではありません。

 インド洋に存在したのはレムリアとかラムディアと呼ばれる大陸で、記事にあるようなマウリティアという大陸よりも大きな“菱形の大陸”であったという説があります。

プレート論を捨てないと、正しい地球の歴史を語ることは出来ません。

下の図は「インド亜大陸の北進衝突は事実ではない」に紹介したものですが、マダガスカル島だけが北進しないのは変です。


7500万年前のインドの位置.......3500万年前のインドの位置

2604
Date: 2017-11-02 (Thu)
生物大量絶滅の原因は地殻移動にある
顕生代に入って、生物の大量絶滅が5回、小さなものを含めると計10回の生物絶滅現象が起きています。その原因は巨大隕石の衝突説や火山噴火説などがあって、明確には分かっていないようです。

しかし、地殻の移動によって、生物が生存できない極域に押しやられて、絶滅した可能性も充分に可能性があります。

 次の図はウキペディアに載っているもので、生物の絶滅が起きた10回の年代を示しています。黄色の三角がビッグファイブと呼ばれる5大絶滅事件を意味します。


顕生代における生物多様性(科レベル)の推移。
横軸は年代を表し単位は百万年。灰色がセプコスキのデータ、緑色が"well-defined"データ、
黄色の三角が5大絶滅事件(ビッグファイブ)。
2億5100万年前に位置する谷間がP-T境界、右側6550万年前の谷が恐竜が絶滅したK-T境界

詳細はウキペディアに譲りますが、[2599]などに紹介した四川省朝天地区、兵庫県篠山町、福井県南条地区などで見られる放散虫などの絶滅は2億数千万年前のP-T境界で起きたものです。絶滅の原因は、「スーパープルーム」による火山活動であるという説が有力です。
 また、6千数百万年前のK-T(またはK-Pg)境界では恐竜が絶滅しました。絶滅の原因はユカタン半島に巨大な隕石が落下したことがあげられていますが、隕石が落下した後も、恐竜は生きていたという話もあり、明確ではありません。

 次に示すのは[1559]で紹介した氷河期の説明図を上に示した生物絶滅図と対比させるために左右を反転して描いたものです。


氷河期と生物絶滅期の関係

 氷河期の解釈は地殻の移動によってその場で生存ができなくなった人類の言い伝えがベースにあるのではないかと説明してきました。
 これまでにも解説してきたように、地球全部が凍結するようなスノーボールアースではなく、温暖で繁栄していた地域が寒冷な地域に急激に移動してしまった経験(原因も理解できないまま)が語り伝えられているように思います。

 図を見ると、氷河期と生物絶滅期には明確な一致は見られません。しかし、生物が激減した時期は寒冷化が起きた時期と重なっています。寒冷化が起きても絶滅していないのは、大陸の配置と関係しているように思います。  恐竜の化石が多く発見されるアメリカ大陸や浅海域などが極域に移動すれば、絶滅の規模も大きくなりますが、現在の北極のような深海の海洋部分が極域に移動しても生物が絶滅することはないでしょう。南極大陸のような広大な地域が極地入りした場合には絶滅種も増えるのではないでしょうか。

 つまり、氷河期とか生物の絶滅という現象は、その当時の大陸の配置と地殻移動の状況によって変わるのだと推定できます。  

[2568]、[2570]などでも紹介しましたが、極地は西太平洋に存在した時期もあれば、アラスカ湾、北西大西洋に存在した時期などもあった可能性があります。

 地球は何度も姿勢を変えていることを認識しないと、地球上の謎は解けません。また、大陸と海洋が何度も入れ替わっている事も、重要な認識です。「大陸地殻が海洋地殻に変わることはありません」とか、「太平洋にはムーが、大西洋にはアトランティス大陸が、インド洋にはレムリア大陸があったことなどオカルトです」と言うような否定をしていては、真の地球科学が誕生することはありません。

2605
Date: 2017-11-03 (Fri)
地球内部は固体であるという固定観念を捨てよう
 P−T境界をまたいで露出している地層というのは多くないそうです。露出している地層の紹介が、顕生代3:古生代から中生代へに載っていました。

現在、P-T境界の連続露頭が知られているのは、以下の4つの地域です。
岐阜県各務原市〜愛知県犬山市
岐阜県大垣市赤坂
愛媛県東宇和郡城川町
宮崎県西臼杵郡高千穂町上村

P-T境界では放散虫が消滅していますが、ということはこの土地が海中にあったことを意味しています。日本も四川省も陸地ではなかった筈です。

しかし、プレート論者の解説によると、日本の南部北上地域や南中国などが陸地として画かれています。
その絵では、現在の大陸が一箇所に集中する超大陸パンゲアとして画かれています。しかし、なぜ超大陸になるのか、なぜ分裂・移動するのか、その力は何なのか、などについては納得のいく説明はありません。

[2462]でも紹介したように、エジプトのカイロ郊外にはマングローブの化石や鯨の化石が見られます。その地が熱帯であり、浅い海だったことを証明しています。地球は上下方向にも、激しく変化し、そのたびに地殻の重心が変わって、「回転軸の傾斜」、つまり「地殻の移動」が起きていたことを認識するべきです。地殻が上下に移動する原動力は「水素の爆発」です。水素の爆発が垂直なら隆起しますし、水平ならば沈降します。上下の移動量が大きなものになれば、地殻の重心が変化して、回転軸の傾斜、つまり地殻の滑動が起きます。

どこかのサイトで「地球の内部まで固体だと思い込んでいたから、地球の傾斜は想像できなかった」「地球の内部は液体であり、地殻の部分だけが滑る現象ならば理解できる」「地球が固体という常識(固定観念)が邪魔してたんだ」と言うコメントがありました。

マントルは固体であるとか、地球は姿勢を変えることはないという固定観念は捨てていきましょう。

ムー大陸やアトランティスの話、また、ポールシフトをオカルト扱いするべきではありません。

2606
Date: 2017-11-03 (Fri)
南極大陸に氷床火山が密集しているという報告
 南極の氷床の下に新たに91の火山が見つかった(計138個)というGurdian誌の報道がありました。

Scientists discover 91 volcanoes below Antarctic ice sheetで報じられています。


南極西海岸の無名峰

In deep氏の報告から紹介します。

ーーーーーーーーーーーーーーーーーーーーーーーーーーーーーーーーーーーーーーーーーーーーーーーーーーーーーーーー

南極の氷の下は「世界最大の火山の密集地帯」だった。その火山の数「138」

これは、英国エジンバラ大学の研究者たちが明らかにしたもので、地図では、下の部分に「 138 個の火山がある」ことが衛星からの観測がわかったものです。


The Gurdian 誌に掲載された図面より

すべて氷床の 2キロメートルほど下にあるということで、以前はこういう「下にある存在」を探索することはできなかったのですが、現在は、レーダーイメージングという方法により海底や氷床の下にある地形の存在を確認することができます。この南極の氷の下の火山群もそれによってわかったものです。

そして、今回見つかった 138個のうち 91個は今この調査で初めて見つかったもので、これにより、

南極は、地球で最も火山が密集している場所になった

ということになりました。

これらの火山が活動しているかどうかは今のところわかっていませんが、しかし・・・。

この発表を読んだ時に私が思ったのは、「これらの火山の存在は地球環境を変える力を持っているかもしれない」ということでした。

たとえば、もしこれらの氷床の下の火山たちが一斉に噴火・・・は大げさでも、連動して噴火するようなことがあった場合、「南極の大量の氷床にどのような影響を与えるのか」というような・・・。

おそらくは、とんでもない量の氷が溶け、それは大量の水となり、海面レベルに必ず影響を与えるはずです。

しかも、これは地球の気温と関係なく「火山活動で溶ける」のですから、その時代時代の気温も海水温度もあまり関係なく海面レベルを上昇させる要因となり得るのだと思います。

そして同時に、

地球で最も氷が多い場所に、地球で最も大きな熱を発する力が眠っている

という事実を知らされた気がします。

たとえば、仮に 138個の火山が全部一斉に噴火したりすれば、地球の海面レベルはとんでもないことになるのかもしれないですし、「南極はそういう力を持っている」・・・と。

ーーーーーーーーーーーーーーーーーーーーーーーーーーーーーーーーーーーーーーーーーーーーーー

In deepには「南極の極端な重力異常」の話題もありますが、ここでは「氷床内部の火山」に絞ってコメントします。

エジンバラ大学の見解による図面では氷床の内部で地殻内部と同様の火山活動が起きているような図になっています。しかし、石田理論による解釈では、火山活動があればその熱によって氷床内に氷底湖が出来上がると思われます。報告通りの円錐形ならば、活動はしていない単なる休止している山で、マグマは存在しないと思います。


石田理論の解釈では氷床内部に氷底湖ができ、平頂火山が形成される。

その氷底湖の中で海底火山のような水中噴火が繰り返して起きることで、[1817]テーブルマウンテンとギョーの形成メカニズムなどで紹介してきた「平頂火山」が形成されると解釈するほうが合理的ではないでしょうか。火山噴火の熱で当然氷は融解するはずです。
[2062]で紹介しましたが、南極の雪原にできるドリーネは火山によって形成された氷底湖の天井が陥没したということだと推定できます。

つまり、現時点で南極大陸ではテーブルマウンテンやギョーが形成されているということです。

氷床の存在は熱の発散を防ぐので、空気や海水の存在よりもさらに防寒作用(?)が高く、火山が形成されやすいことを意味しているように推定されます。

氷床が溶け去ったときには、平頂火山の頂部地盤が高ければテプイのような陸上の山となりますし、低ければギョーのような平頂海山になると思われます。

平頂火山が現時点で形成されている実例になると思うと大変興味深く受け取りました。

追記:

THE WATCHERSの記事には南極大陸西部での温度上昇が次図のように報告されています。


Red represents areas where temperatures have increased the most during the last 50 years,
particularly in West Antarctica, while dark blue represents areas with a lesser degree of warming.
Temperature changes are measured in degrees Celsius. Image credit: NASA/GSFC Scientific Visualization Studio

2607
Date: 2017-11-08 (Wed)
南極の氷床下に密集する火山が教える火山学や固体地球物理学の間違い
南極の火山が密集する理由と、ギョーやテプイが密集する理由は同じであることを説明します。

[2606]では南極の氷床下に火山が密集して発見された件を紹介しましたが、ギョーやテプイも同じように密集して存在します。

ギョーは[1813][2449]で紹介したように、太平洋を中心に数箇所に密集して存在しています。テプイもギアナ高地には下図のように密集して存在しています。


テプイの密集する様子出典:Thelostworld.com

ギアナ高地のテプイは氷底湖内の時代を脱して、今の姿になってから相当の時間が経過しているようで、風化作用も激しいと思われます。有名なエンゼルフォールがある場所などは相当浸食が進み、後退しているのではないでしょうか。


アウヤンテプイのGoogle写真、侵食で変形したテプイの形状出典:南米旅行:パタゴニアとギアナ高地

同じような成層構造はグランドキャニオンやアリゾナ州にも存在し、「メサ構造」として知られています。メサは堆積層が浸食されたものですが、ギョーは水中で火山灰が堆積したという違いがあります。

浸食された台地 メサ、ビュートより

したがって、両者の形状は似ていますが、ギョーやテプイは氷底湖内の火山であり、チャートに含まれる放散虫のような水生生物の化石はないと思います。そこが大きな違いだと思われます。

 また、現在の火山学では、マグマが形成され、火山として噴火するのは3箇所だけ、つまり@プレートの誕生する中央海嶺、Aプレートの潜り込む海溝、Bハワイのようなホットスポット、と説明されています。南極には@とAは存在しません。急にホットスポットが形成されて火山が誕生したというのは論理的ではありません。

 つまり、マントルは熔融していること、熱の放散を氷床で防げば(防寒効果があり)熱が籠もって地殻が薄くなり、マグマが噴出することもある、ということを南極の密集火山が証明しているように思えます。

[2062]、[2064]で紹介した南極のアイスドリーネは火山活動で形成された氷床湖の天井部分が陥没したものだと推定できます。氷が融解すると堆積が減少し、真空の空間が出来て減圧効果が生まれると推定できます。これが陥没の原因でしょう。

 南極の火山密集や、ギョーやテプイの密集は火山学をはじめとする地球物理学の間違っていることを証明しているのではないでしょうか。

[2457]に紹介したナイジェリアのZuma−Rockはアフリカ大陸と南米大陸が分離する前にギアナ高地と同じ場所で形成されたテプイが、大陸分裂時の地殻変動で転倒したのではないかと推定しました。 放散虫の有無を調べて見ると、Zuma-Rockの誕生の謎が融けるのではないでしょうか。

参考:

テプイの迫力ある映像がギアナ高地・20億年前の台地に載っています。明瞭な成層の火山であることが眼前に迫ってきます。

2608
Date: 2017-11-10 (Fri)
南極で起きている氷床の移動は地殻移動の原因になるかもしれない
南極が氷で覆われる前の陸地の形状はピリ・レイスの地図([1221]参照)でも知られていますが、現代の測量技術では次図のように大小の島の集合であることが分かっています。


氷を取り去った南極大陸の陸地図と氷床下火山の分布図

つまり、[2606]で紹介した氷床内の火山は海抜ゼロ以下にも、ゼロ以上にも存在します。したがって氷床湖ができ、かつ平頂な山が形成されているとしたら、将来地殻が移動して氷がなくなったときには、ギョーにもなるし、テプイにもなることになります。

ところで、氷床湖は火山によって形成されるものだけではなく、南極の東部にも存在するようです。最大のものはLake Vostokです。


南極大陸の氷床下にある湖や河川

 氷に閉ざされる前には海水が存在した湖もあるようですが、そうした氷底湖からの排水(溢水)が原因で、氷床が海側に移動する速度が増えているという報告があります。抜粋して紹介します。

ーーーーーーーーーーーーーーーーーーーーーーーーーーーーーーーーーーーーー

What Lies Beneath Thick Antarctic Ice Sheet?

May 4, 2016 by News Staff / Source

Scripps Oceanographyの共同研究者であるMatthew Siegfried博士は、Whillans湖の定期的な排水によって、氷のシートが偶発的に剥がれ、最大4%程度、氷の動きをスピードアップし、数ヶ月間続くことを報告している。

 地質学ジャーナルに掲載された第2の論文では、モンタナ州立大学のAlexander Michaud博士と共同研究者は、Whillans湖の水質特性を調べ、15インチ(38cm)の長さの湖底堆積物を採取した。

この研究チームの結果は、湖沼の水は、主に湖を覆う氷床の底部の氷(真水)が融解していることを示している。古くから隔離された海水の貯水池は南極氷床が氷期の最後の間氷期に氷床の下に閉じ込められていた。

この氷床の下の環境は、水域が広くて浅く、水が徐々に流れていく沿岸平野の湿地帯にいくらか類似しています。

ーーーーーーーーーーーーーーーーーーーーーーーーーーーーーーーーーーーーー  

つまり、南極大陸がもっと温暖な環境から今の環境に「地殻移動」によって急激に変化したことを証明しています。  

 また、最新のNEWSWEEKの報道では、氷床の移動は地球温暖化の原因と考えられている炭酸ガスの影響ではなく、南極大陸にイエローストーン級の熱を発生するマントルプルームが形成されていることが原因であるという報道もあります。 南極大陸の西部域の氷床が思ったより早くなくなるのではないかということが懸念されています。

 南極西部の火山活動が、西部南極大陸の氷床の一部を急激に融解している、というNASAの研究を報じた記事を抜粋して紹介します。

ーーーーーーーーーーーーーーーーーーーーーーーーーーーーーーーーーーーーー

NASA Discovers Mantle Plume Almost as Hot as Yellowstone Supervolcano That's Melting Antarctica From Below
By Hannah Osborne On 11/8/17 at 8:30 AM


流下する南極大陸の氷床

NASAの研究者らは、ロス氷棚とロス海の間にあるマリーバードランドの巨大な熔岩の湧き上がりが、氷床の下に広大な湖と川を作り出していることを発見した。巨大なマントルプルームの存在が、この地域がとても不安定な理由、11,000年前の最後の氷河期の終わりにそれが急速に崩壊したのかなどを説明することができる。

マントルプルームは、地球の内部から熱い物質を引き上げるシステムの一部であると考えられている。マントルを通過すると、それは地殻の下に広がり、火山噴火のマグマを提供する。プルームの上の領域は、ホットスポットとして知られている。

マリーバードランドの下にマントルプルームが存在する可能性があることは30年前から科学者らは示唆している。
 現在NASAのジェット推進研究所の科学者たちは、ドームや南極大陸の基盤上にある巨大な地下河川や湖沼を含め、氷の下にどのくらいの熱が存在しているかを示す高度な数値モデルを作成した。湖がいっぱいになったり、排水するにつれて、数千フィートの氷が、時には20フィートも上下する。

JPLの研究員であるHélène Seroussiは、最初は信じていなかったが、地球物理学研究ジャーナル「固体地球」に掲載された研究では、Seroussiらは、地球上で最もよく研究されているマグマプルームの1つ、イエローストーンのホットスポットを調べた。

 チームはマリーバードランドで氷床の物理学を示す氷床システムモデル(ISSM)を使用して、自然の熱源と熱輸送源を調べた。

 科学者たちは、熱流量が1平方メートルあたり少なくとも150-180ミリワットの領域も見つけたが、このデータでは、マントルの熱が地殻の亀裂から出ていることを示唆している。

結論として、チームは、マリーバードランドプールは、氷の下に隠れる前50-1000万年前に形成されたと述べている。またその熱は氷床に「局所的に重要な影響」を持ち、そのプロセスを研究することで、招来何が起きるかガ分かるだろう、と語っている。

ーーーーーーーーーーーーーーーーーーーーーーーーーーーーーーーーーーーーーーーーーーーーーーーー  

つまり、南極大陸の西部には地殻のひび割れがあって、そこからマントルプルームが形成されて、氷の融解が進行しているということです。しかし、ひび割れ(断層?)はどこにでもあるはずで、なぜ西部にだけマントルプルームが形成されるのか、その理由については語っていません。

 南極の東部には熱源がないのだとすれば、なぜなのか、科学者にも分からないのではないでしょうか。何kmもある厚い氷床が海に流れ出れば地殻の重心が変化し、地殻移動が起き、地球の姿勢が変化する可能性もあります

 南極の陸地は以前に起きた地殻移動で厚い氷床の下に隠れてしまった筈です。再度地殻の移動が起きる心配があるのですが、地球が姿勢を変える本当の理由はなぜなのか?[2136]、[2148]などで述べた「地球の主治医」が地球の姿勢を変えたい、と望んでいるからと言うしかないのかもしれません。

しかし、地球が姿勢を変えるとしたら、つまり地殻の移動、ポールシフトが起こるとしたら、東北を襲った津波どころの騒ぎではありません。ノアの洪水のような悲惨な状況が現出します。「地球の主治医」が何を考え、どうしたいのかを考える時期に来ているのではないでしょうか。

2609
Date: 2017-11-10 (Fri)
地球の大気温暖化原理主義者の発想
 南極の氷が融解している件に関して、日本ではオゾンホールの拡大とか、西風の影響とか、大気からの影響を考えています。二酸化炭素は大気温暖化の元凶であるという原理主義者のような発想しかありません。

 紹介したようにNASAなどでは従来考えていなかった、地球内部からの影響を考えています。日本の研究陣は「発想が拘束されている」ような気がしてなりません。地震学をみても、プレート論による拘束は強烈なものがあります。

発想を柔軟にして欲しいと願いつつ、産経新聞の報道を紹介します。

ーーーーーーーーーーーーーーーーーーーーーーーーーーーーーーーーーーーーーーーーーーーーーーーーーーー

南極の氷床が大崩壊の危機? 深層の暖水が上昇し下部を融解 オゾンホール拡大が影響か
2017.8.25 17:00

今年3月に海氷面積が史上最小を記録するなど、地球温暖化の影響が懸念されている南極。最近の研究では、夏も溶けないはずの氷床や棚氷が薄くなっている可能性が高いことが判明し、専門家は氷床の大崩壊が起きるのではないかと警戒を強めている。

氷面積が過去最小に

 南極の海氷面積は今年3月1日、過去最小の214・7万平方キロを記録した。宇宙航空研究開発機構(JAXA)の観測衛星「しずく」のデータを国立極地研究所が分析して判明した。1978年の観測開始以来、これまでの年最小面積だった97年2月の225・1万平方キロを下回り、2000年代の年最小面積の平均に比べて3割も少ないという。

 南極には、夏になると一部が溶ける海氷のほかに、夏でも溶けない氷床や棚氷がある。氷床は南極大陸全体を覆って発達している氷河で、沿岸部で棚のように海上に張り出して浮いている部分が棚氷だ。だが、今年7月に「ラーセンC」という棚氷から三重県の面積とほぼ同じ大きさで重さが1兆トンを超える氷塊が分離し、観測史上、最大級の氷山になったことが確認されている。

海洋研究開発機構(JAMSTEC)によると、レーザー高度計や重力場測定装置などを搭載した人工衛星からの観測で、最近は氷床や棚氷が溶けて薄くなっている可能性が高いことが分かってきた。

西南極の融解が顕著

 なぜ融解が進んでいるのか。シミュレーション解析から推定されている仕組みはこうだ。

 南極を取り囲む南緯30〜60度付近の海域では、ジェット気流による強い西風が吹いている。この風の力と地球の自転がもたらす影響によって、表層の海水が北へ運ばれる。すると、その空いた場所へ吸い上げられるように、深層から上部周極深層水という暖かい海水が上昇。張り出した大陸棚の上面に沿って流れ込み、これに触れて氷床や棚氷の下部が急速に溶けていく

 これまでの観測で、西風は1960年代から強くなっていることが判明している。これに伴って、暖かい海水の上昇量が増え、氷床などを下から融解させているということだ。

 特に融解が顕著なのは、南太平洋に面する西南極地域とみられている。他地域よりも大陸棚の張り出しが大きいため、暖かい海水が大量に氷床の下部に流入して融解が急速に進む可能性が高い。

西南極の海底には海山のような突起があり、そこに引っ掛かるようにして氷床がせき止められているという。そのため、海洋機構の勝又勝郎グループリーダー代理は「臨界点を超えて氷が溶けると、せき止められた氷床が一気に動いて大崩壊が起きる恐れがある」と指摘している。

各国の大都市が水没か

 南極の氷床が大規模に崩壊したらどうなるか。国連の気候変動に関する政府間パネル(IPCC)による温暖化が最も進む予測シナリオは、氷床崩壊を想定していないが、2081〜2100年における世界平均海面水位が1986〜2005年の基準から45〜82センチ上昇する。これに南極氷床の大崩壊が加われば、海面水位がさらに上昇し、世界各国の沿岸部の大都市が水没する恐れも出てくる。

 また、海洋が持つ「物理ポンプ」という機能への悪影響も懸念される。表層の海水は大気中の二酸化炭素を限界まで吸収して重くなり沈降、まだ二酸化炭素を吸収できる新たな海水が浮上して入れ替わり、ポンプのように二酸化炭素を深層へ運搬する仕組みだ。

氷床が溶けて淡水が流れ込めば、塩分濃度が下がって表層海水の比重が軽くなり、物理ポンプの働きが弱まってしまう。その結果、温暖化を加速することにもなりかねない。

 西風が強まっている理由については、まだ解明されていない。だが、成層圏のオゾンホール拡大に伴う二酸化炭素など温室効果ガスの増加で、大気に蓄積される太陽熱の分布が変わり、大気の圧力差が拡大してバランスが崩れたためだとの分析が最近発表された。成層圏の変化が風を介して海の深層に影響を与えた格好だ。

 これらの分析の多くはコンピューターのシミュレーションに依存しているが、実は氷床や海氷の融解を再現するには、気象条件や海流の変化など、多様な要素を考慮する必要があり、高精度な結果を出すのは非常に困難なのだという。

 そのため海洋機構は「現地での詳細なデータ収集を今後も継続していく必要がある」としている。
(科学部 伊藤壽一郎)

ーーーーーーーーーーーーーーーーーーーーーーーーーーーーーーーーーーーーーーーーーーーーーー

日本の研究者たち(JAXA、JAMSTEC)は「オゾンホール拡大に伴う二酸化炭素など温室効果ガスの増加」が原因で西風が強まり、暖かい海水が上昇したと考えていますが、原因と結果が逆なのではないでしょうか。

火山活動によって氷床の温度が変化し、それが原因で西風が起きるのではないでしょうか。

「氷床の下部から地球内部の熱が上昇している」ことによって、氷床の温度が高まる、というまったく逆の現象が起きているのです。

 地震の原因に関しては、原因(爆発)と結果(断層)が逆転していますが、南極の温暖化に関しても、因果関係が逆転しています。どれほどシミュレーションプログラムを開発しても、

因果関係が違う論理では、もはや自然科学とは言えない

でしょう。

2610 
Date: 2017-11-10 (Fri)
南極の氷は全体では増加していて、地球温暖化は疑問である
 一方で、地球温暖化というIPCCの報告があるにもかかわらず、南極の氷の量は増えているという報告があります。南極の西部では火山活動で氷が減っていますが、東部では増えていて全体では増加傾向にあるそうです。2015年の産経新聞報道を紹介します。

ーーーーーーーーーーーーーーーーーーーーーーーーーーーーーーーーーーーーーーーーーーーーーー

温暖化理論を破綻させた「南極の氷増加」 科学者も困惑…海面上昇の原因はどこに…

2015.11.30 17:40

 地球温暖化の影響で減少し続けているとされてきた南極の氷が、実は増えていたことが米航空宇宙局(NASA)の観測結果で分かった。温暖化で南極の氷が溶け出し、海面が上昇しているとの従来の学説を覆すものだ。NASAでは、「海面上昇の要因が南極以外にあることがはっきりしただけ」としているが、温暖化問題を論ずる際の大前提が揺らいだのは事実であり、今月末からフランス・パリで開かれる国連の気候変動枠組み条約締約国会議(COP21)での議論にも影響を与える可能性がある。

 ■増加率は鈍化傾向

 1日付米紙クリスチャン・サイエンス・モニターや、3日付米CNNテレビ(いずれも電子版)などによると、NASAのゴダード宇宙飛行センター(メリーランド州)らの科学者でつくる研究チームが10月30日、学会誌に発表した。

 研究チームは、NASAと欧州宇宙機関の人工衛星が1992〜2008年に南極氷床の高さを観測したデータを収集し、詳細に調査した。その結果、氷は92年〜01年には年間1120億トン増えた。03年〜08年も年間820億トンの増加を記録するなど、増加率が鈍化していたものの、一貫して増加傾向をたどっていたことが判明した。

では、なぜ氷が増えたのか。その原因は1万年前から降り続く雪だという。雪は毎年1・7センチずつ積もり、数千年にわたって氷の中に圧縮されていく。増加分はこれらの雪とみられる。

 ■定説の理論が破綻

 これまでの学説では、海面上昇の原因は、南極大陸やグリーンランドから溶け出した氷だといわれ、南極西部の氷が溶け出すと地球の海面が約3メートル上昇するといわれてきた。

 国連の気候変動に関する政府間パネル(IPCC)が13年に発表した報告書では、温暖化の影響で南極の氷は減り続けており、海面が上昇していると断言していた。

 また、多くの学者もこれまで、南極の東部や内陸部では氷が増加傾向にあるものの、南極半島と、この半島を含む西部の一部では、温暖化の影響で氷が溶けて減少し続けていると主張。全体として氷は減少しているとして、もはや異論を差し挟む余地はないとみられてきた。

研究チームのリーダーを務めるNASAの雪氷学者、ジェイ・ツバリー氏も今回の研究成果が「南極に関して言われている一般論と食い違っている」と指摘。そのうえで、大陸西部にある南極半島などでは他の研究と同様に減り続けているが、「西部でも内陸部では、東部とともに減少分を上回る勢いで増えていることが確認できた」と明言している。

 今回の研究結果が正しいとすれば、「温暖化で南極の氷が溶けて海面が上昇している」との論理は破綻することになる。

 ■グリーンランドの影響大

 もっとも、ツバリー氏ら気候科学者たちは、今回の研究結果が温暖化の終わりを意味するものにはならないともくぎを刺す。

 ツバリー氏は「IPCCの報告書の内容が間違っているとしたら、(グリーンランドなど)他の地域で起きている氷の融解などの影響が、従来の推定より大きいことになる」と指摘、海面上昇の原因が南極以外にあることがはっきりしただけで、問題がより複雑化するとの考えを示している。

さらに、今回の研究結果で、南極西部での氷の溶け方が加速する一方、氷の増加傾向は近年、緩やかになっていることも判明しており、ツバリー氏は「(西部での氷の減少ペースが)今のまま続けば、今後20年〜30年で全体でも減少に転じるのではないか」ともしている。

 今回の結果は、温暖化そのものを否定するものではないが、ことは地球規模での重大な問題だけに、予断を持たずに議論することの重要性を改めて示したといえそうだ。

ーーーーーーーーーーーーーーーーーーーーーーーーーーーーーーーーーーーーーーーーーーーーーーーーーーー

この記事の内容はNASAの研究ですが、2015年のもので、[2908]の氷床下の火山の影響が分る前のものです。
要するに、南極の氷の減少は局所的なものですが、グリーンランドはどうなのでしょうか。

地球の記録に載っているグリーンランドの「氷の面積と質量が過去最大」を記録。同時期のメディア発表では「北極海の氷面積が過去最少に」と報じられる。どちらが実際に近いのかという記事には、「グリーンランドの氷の量が観測史上最大を記録した」とあります。IPCCの報告が正しいのか“科学上の詐欺行為”があるのかよく分りません。北極海の氷は減少していて、白熊が絶滅の危機にあるという映像による報道がありましたが、真実はどうなのでしょう。

デンマーク気象研究所のグリーンランドの氷の状況のデータより

今年(2017年)はグリーンランドの氷の量が過去最大との報告、IPCCとは違うのはなぜか?

 NASAの研究者は南極の氷は全体では増えているが、グリーンランドでの融解量が従来の推定より多いのだろう、と“逃げ”の様な発言をして、IPCCの地球温暖化論を擁護しています。

たしかに、環境ジャーナリスト 富永 秀一氏の解説によると、

「グリーンランドの氷は、1992年からの10年間は、年間340億トンの割合で減っていて、それが、2002年からの10年間では、年間2150億トンと、大幅にペースアップした。 また、南極の氷も、同じ期間に年間300億トンから、年間1470億トンへとやはりペースを速めて溶けているとのことです。これは、陸地の氷が溶けて海に流れ込んでいるということですから、海面上昇に繋がります。」

とあります。

しかし、少なくとも「地球が温暖化しているのに、なぜ南極東部の氷が増加するのか」を説明できる要因はありません。

 どこかで紹介しましたが、地球温暖化の問題は英国で原発反対運動が活発化したときに“目くらまし”で政府が持ち出したものだと聞きました。当然のことですが、CO2を出さないためには原発のほうが有効的なことが分っているのに、化石燃料発電や小規模な地熱・風力発電などを支持するという環境運動は矛盾しています。隣国の原発には反対しないのも解せません。
耐用年数を過ぎた火力発電所を修理して再開するのは別の危険性を含んでいます。英国政府にごまかされて“走らされている”ことを環境派の運動家は知らないのでしょうか。

実は地球は温暖化ではなく寒冷化に向かっているという見方もあります。

「周期で見るとすでに氷期に入っている。現在の寒冷化は1700年台後半から1800年台にかけての現象と似ていて、やはり太陽の活動が関係している。」とのコメントがあります。


地球はいま寒冷化している!?より

氷河期とか寒冷化の時期というのは、太陽の活動とも関係しますが、地殻移動(地軸の変化も同じこと)による住環境の変化も関連していると思っています。人類の伝承の中に住環境が突然変化したという口伝もあるのではないでしょうか。少なくとも、全球凍結のような氷河期は無かったと思います。
IPCCの報告については、利権構造に塗れていて、意図的なデータ介入があること、世界は“温暖化詐欺”にやられているという見解があることを既に、[1451]、[1452]などで紹介してあります。

トランプ大統領はその辺りを見抜いているのではないでしょうか。また利権に絡んでいない学者はカラクリを知っているようなのです。

 地球の寒冷化が本当ならば[2608]で心配した地殻移動の可能性は幾分かは低くなりますが、巨大地震による大陸規模の隆起・沈降、または地球内部で起きる剥離による地殻の落下(熔融マントル内部への)が起きれば、また別の話です。

 「地球の主治医」が何を考えているのか、どのような外科手術を考えているかは、人類が忖度するしかありません。

前ページへ戻る  次へ進む
索引へ戻る